Светильник светодиодный TL-PROM SM 400 5K FL DIM К40
Цена по запросу ₽
Характеристики товара
Код производителя:
УТ000012937
Остаток на складе:
под заказ
Класс защиты от поражения электрическим током:
1
Материал корпуса:
Анодированный алюминий
Коэффициент пульсаций светового потока, %:
5
Цветовая температура, К:
5000
Вид климатического исполнения:
УХЛ1
Материал рассеивателя:
Оптический поликарбонат
Мощность, Вт:
402.6
Световой поток светодиодного модуля, Лм:
68454
Световая эффективность, Лм/Вт:
152
Количество светодиодов, шт:
720
Кривая силы света (КСС):
К (40°) концентрированная
Индекс цветопередачи CRI:
72
Ресурс светодиодов, ч:
100000
Время включения светильника, с:
1.4
Диммирование:
Да
Напряжение питания, В:
110B-277B AC
Частота, Гц:
47 Гц - 63 Гц
Степень защиты светильника, IP:
66/67
Грозозащита:
Да
Термозащита:
Срабатывает при нагреве поверхности корпуса +85˚С происходит плавное снижение выходного тока блока питания.
Стойкость к микросекундным импульсам большой энергии:
4 кВ (L-N), 4 кВ (L-PE, N-PE) Acc.IEC61000-4-5 & ANSI C62.41, 2 Ohm
Гальваническая изоляция:
Да
Сопротивление изоляции, МОм:
> 200 МОм
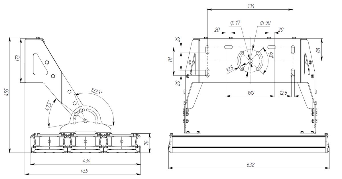
Способ крепления светильника:
Поворотная скоба (угол наклона -40°+145°)
Степень защиты оболочки (корпус):
IK10
Степень защиты оболочки (стекло):
IK10
Гарантия, мес:
60
Габариты светильника ДхШхВ, мм:
632х434х76
Габариты светильника с креплением ДхШхВ, мм:
632х455х455
Масса нетто, кг:
18.4
Светильников в коробке, шт:
1
Объем коробки, м3:
0.037
Масса брутто, кг:
19.1
Температура эксплуатации, °C:
от -40° до +40°
Световой поток, Лм:
61195
Коэффициент мощности ИП, cosφ:
≥ 0,95
Защита от 380, В:
Нет
Защита от холостого хода:
есть, восстанавливается автоматически
Пробивное напряжение, кВ AC:
> 4 кВ АС
Защитная оптическая часть:
Нет
Габариты коробки ДxШxВ, мм:
705x200x115
Похожие товары
Вы недавно смотрели:




